SMC precision pressure reducing valve
SMC precision pressure reducing valve
Specifications
Specifications
- Brand: SMC
- Order code: 100204411
- Product Name: SMC Precision Pressure Reducing Valve
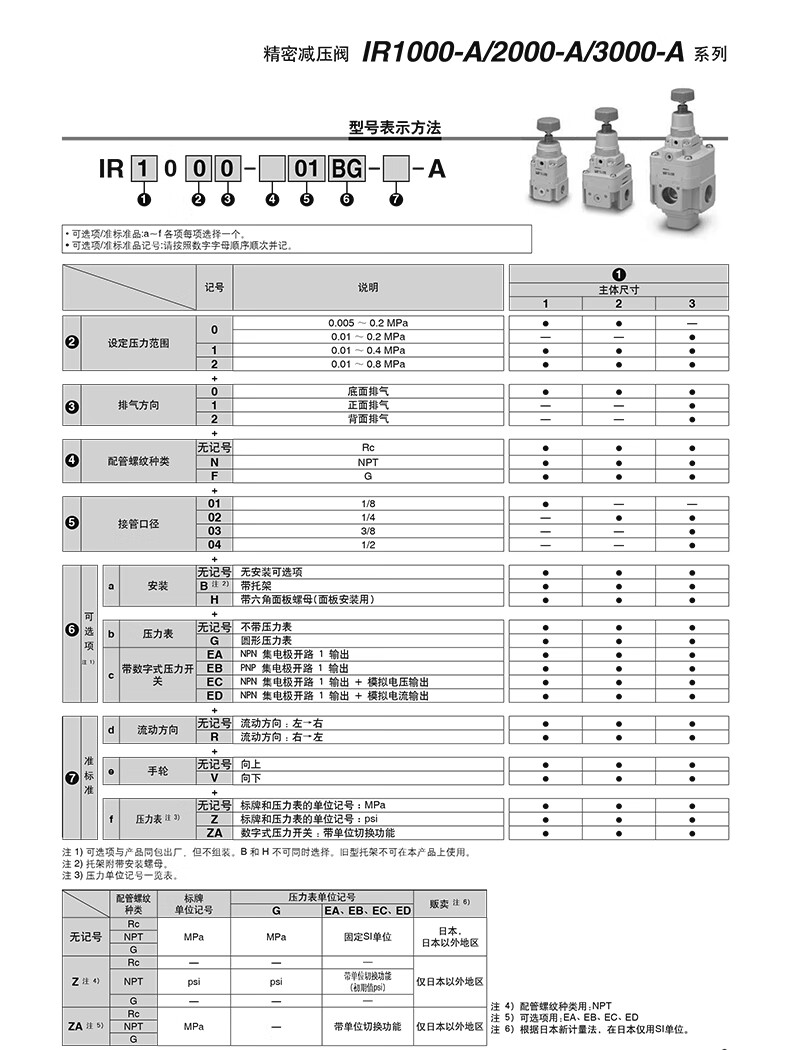
- Model: IR1020-01BG-A


